음향:electric_circuit:impedance_converter
[홈레코딩 필독서]"모두의 홈레코딩"구매링크
가성비 있는 녹음실 찾으시나요? 리버사이드 재즈 스튜디오에서 녹음하세요!
[공지]회원 가입 방법
[공지]글 작성 및 수정 방법
목차
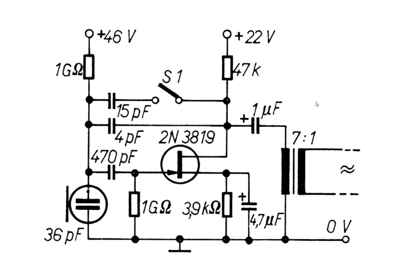
임피던스 컨버터 회로
컨덴서 마이크의 캡슐(다이어프램)에서 생성되는 전기 신호는 전압은 높지만 전류가 매우 작아 하이 임피던스 신호 특성을 가집니다.
이 상태로는 신호가 약하고 외부 노이즈에 취약해 오디오 장비로 직접 전달하기 어렵기 때문에, 임피던스 컨버터 회로가 필요합니다.
작동 원리
토폴로지
로그인하면 댓글을 남길 수 있습니다.
[공지]회원 가입 방법
[공지]글 작성 및 수정 방법
음향/electric_circuit/impedance_converter.txt · 마지막으로 수정됨: 저자 정승환

