OPA161x
- OPA1612: 듀얼 채널
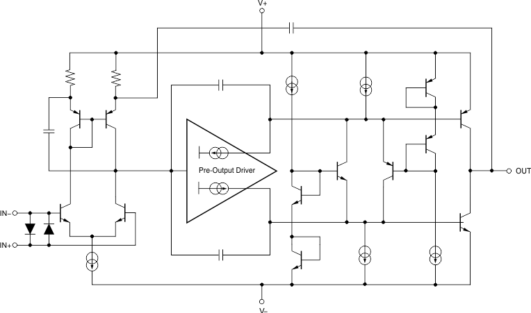
OPA161x 연산 증폭기는 1kHz에서 0.000015%의 초저 왜곡과 매우 낮은 1.1nV/√Hz의 노이즈 밀도를 달성합니다. OPA1611과 OPA1612는 2kΩ 부하에서 rail-to-rail 출력 스윙을 600mV 내에서 제공하여 헤드룸을 증가시키고 다이내믹 범위를 최대화합니다. 또한 이 장치는 ±30mA의 높은 출력 드라이브 능력을 가지고 있습니다.
이 장치들은 채널당 3.6mA의 전류 소모로 ±2.25V에서 ±18V의 매우 넓은 전원 범위에서 동작합니다. OPA1611과 OPA1612 연산 증폭기는 유니티 게인 안정성을 가지며, 다양한 부하 조건에서 우수한 동적 성능을 제공합니다.
이중 버전은 최저 상호 간섭과 채널 간 상호작용이 없는 완전히 독립된 회로를 특징으로 하며, 과도한 구동이나 과부하 조건에서도 동일한 성능을 유지합니다.
OPA1611과 OPA1612는 모두 SOIC-8 패키지로 제공되며, OPA1612는 SON-8 패키지로도 제공됩니다. 이 장치는 -40°C에서 +85°C까지의 온도 범위에서 규정됩니다.
OPA1611 칩이 사용된 마이크 프리앰프
같은 Op-Amp 를 사용했다고 해서 같은 음질을 구현하지는 않습니다. Op-Amp 에 얼마만큼의 전압(또는 전력)을 인가하느냐에 따라서 Max input level이나 Gain range 특성이 달라질 수 있습니다. 전력을 최대로 사용하면 최대의 성능을 내지만, 버스파워 기기와 같은 저전력 설계에는 최소한의 전력을 인가하기도 합니다.
- Neumann V4021)
OPA1612 칩이 사용된 마이크 프리앰프
같은 Op-Amp 를 사용했다고 해서 같은 음질을 구현하지는 않습니다. Op-Amp 에 얼마만큼의 전압(또는 전력)을 인가하느냐에 따라서 Max input level이나 Gain range 특성이 달라질 수 있습니다. 전력을 최대로 사용하면 최대의 성능을 내지만, 버스파워 기기와 같은 저전력 설계에는 최소한의 전력을 인가하기도 합니다.
[공지]회원 가입 방법
[공지]글 작성 및 수정 방법








