PGA2500
TI 사의 고성능 Op-Amp
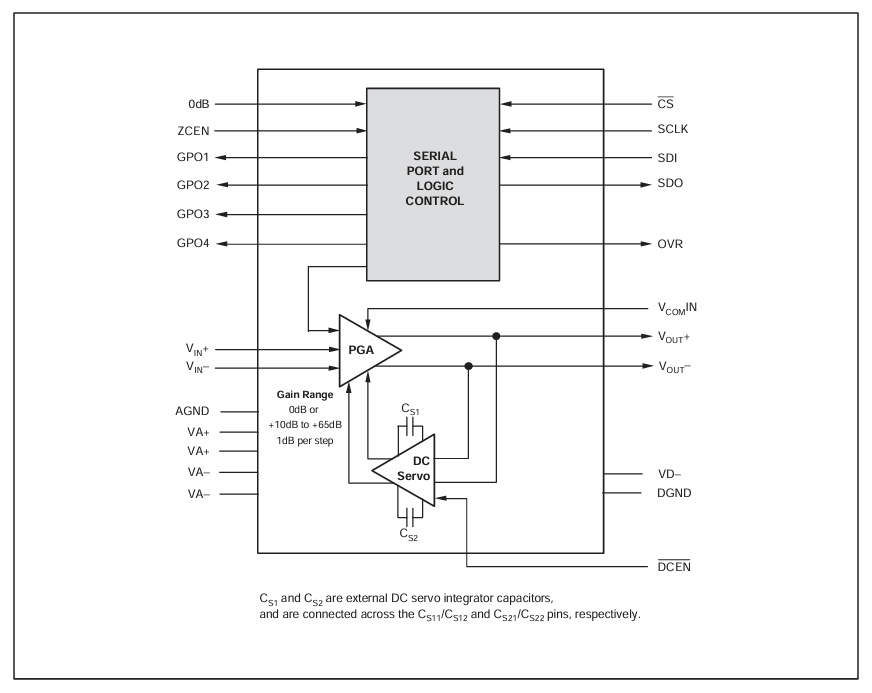
PGA2500는 고성능 오디오 아날로그-디지털(A-D) 컨버터의 전단으로 사용하기 위해 설계된 디지털 제어 아날로그 마이크 프리앰프입니다. PGA2500의 특징은 낮은 잡음, 넓은 다이내믹 레인지 및 차동 신호 경로가 있습니다. 칩 내 DC 서보 루프가 DC 오프셋을 최소화하는 데 사용되며, 공통 모드 서보 기능은 공통 모드 거부를 향상시키기 위해 사용될 수 있습니다.
PGA2500의 게인 범위는 10dB부터 65dB까지(1dB/단계)이며, 단위 게인 설정도 제공됩니다. 넓은 게인 범위는 다양한 마이크와 함께 사용할 수 있도록 합니다. 게인 설정 및 내부 기능은 간단한 직렬 포트 인터페이스를 사용하여 로드되는 16비트 제어 워드를 사용하여 프로그래밍됩니다. 직렬 데이터 출력 핀은 여러 PGA2500 장치의 데이지 체인 연결을 지원합니다. 입력 PAD, 팬텀 파워, HPF 및 극성 반전 기능의 외부 스위칭을 제어하기 위해 네 개의 프로그래밍 가능한 디지털 출력이 제공됩니다. PGA2500에는 +5V 및 -5V 전원 공급이 모두 필요하며, 소형 SSOP-28 패키지로 제공됩니다.
- Fully Differential Input-to-Output Architecture
- Digitally Controlled Gain Using Serial Port Interface:
- Unity (0dB) Gain Setting via Serial Port or Dedicated Control Pin
- Dynamic Performance:
- Zero Crossing Detection Minimizes Audible Artifacts when Gain Switching
- Integrated DC Servo Minimizes Output Offset Voltage
- Common-Mode Servo Improves CMRR
- Four-Wire Serial Control Port Interface:
- Simple Interface to Microprocessor or DSP Serial Ports
- Supports Daisy-Chaining of Multiple PGA2500 Devices
- Dedicated Input Pin for Selecting Unity Gain
- Overload Output Pin Provides Clipping Indication
- Four General-Purpose Digital Output Pins
- Requires ±5V Power Supplies
- Available in an SSOP-28 Package
- APPLICATIONS
- Microphone Preamplifiers and Mixers
- Digital Mixers and Recorders
All trademarks are the property of their respective owners.
세부 스펙
PGA2500 칩이 사용된 마이크 프리앰프
같은 Op-Amp 를 사용했다고 해서 같은 음질을 구현하지는 않습니다. Op-Amp 에 얼마만큼의 전압(또는 전력)을 인가하느냐에 따라서 최대 입력 레벨이나 게인 범위 특성이 달라질 수 있습니다. 전력을 최대로 사용하면 최대의 성능을 내지만, 버스 파워 기기와 같은 저전력 설계에는 최소한의 전력을 인가하기도 합니다.
MOTU 828ES
[공지]회원 가입 방법
[공지]글 작성 및 수정 방법










