음향:electric_circuit:transformer:ll1517
[홈레코딩 필독서]"모두의 홈레코딩"구매링크
가성비 있는 녹음실 찾으시나요? 리버사이드 재즈 스튜디오에서 녹음하세요!
[공지]회원 가입 방법
[공지]글 작성 및 수정 방법
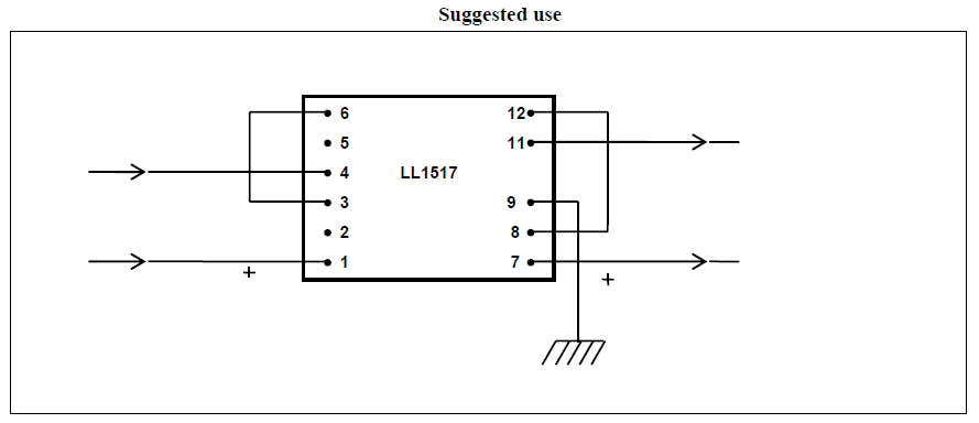
LL1517
Lundahl LL1517, Audio Output Transformer
LL1517 is an audio output transformer for balanced or unbalanced drive. The transformer is built from two threesection coils, with primaries and secondaries separated by electrostatic shields, and a audio C-core of our own production. The transformer is housed in a mu-metal housing. The LL1517 has sufficient low copper resistance to meet broadcast specifications in a conventional drive configuration, but is (as all output transformers) ideally used with mixed feedback drive circuits. (See separate paper for mixed feedback design principles).
- Turns ratio: 1 + 1 : 1 + 1
- Spacing between pins: 5.08mm(0.2“)
- Spacing between rows of pins: 35.56mm(1.4”)
- Weight: 105g
- Core: Audio C-core
- Housing: Mu-metal
- Rec. PCB hole diameter: 1.5mm
- Static resistance of each primary: 9.2Ω
- Static resistance of each secondary: 9.5Ω
- Leakage inductance of secondaries(sec. in series): 0.3mH
- Optimum source impedance: Minus 18Ω(See above)
- Balance of output(according to IRT, source <10Ω, Load 600Ω): >60dB
- Loss across transformer (at midband with 600Ω load): 0.3dB
- Isolation between primary and secondary windings/between windings and core: 4kV/2kV
로그인하면 댓글을 남길 수 있습니다.
[공지]회원 가입 방법
[공지]글 작성 및 수정 방법
음향/electric_circuit/transformer/ll1517.txt · 마지막으로 수정됨: 저자 정승환


