instrument_wiki:마이크로폰:akg:c414
[홈레코딩 필독서]"모두의 홈레코딩"구매링크
가성비 있는 녹음실 찾으시나요? 리버사이드 재즈 스튜디오에서 녹음하세요!
[공지]회원 가입 방법
[공지]글 작성 및 수정 방법
목차
AKG C414
C414(Original)
AKG C12의 솔리드 스테이트 버전인 AKG C412는 패턴이 3가지(카디오이드, 옴니, 피규어-8)밖에 없었으므로, 사용자들의 더 많은 지향성 패턴에 대한 요구를 받아들여, 초지향성을 추가하여 모델명을 4-pattern 을 뜻하는 C414인 마이크를 만들었다.
AKG C414 EB
AKG C414 EB는 AKG의 두 번째 세대 C414 콘덴서 마이크로, 유명한 CK-12 캡슐과 솔리드 스테이트 앰프 회로를 결합한 모델입니다. 1976년에 출시되었으며, 전작 대비 3단계 하이패스 필터와 -10dB 패드에 -20dB 옵션이 추가되어 더욱 유연한 사용이 가능합니다.
기존의 C414 오리지널에 Bass roll off 스위치 부착하고 CK12 캡슐대신 새로운 나일론 재질의 캡슐을 사용합니다.
주요 특징 및 사양
활용 및 평가
AKG C414 EB P48
AKG C414 EB P48는 1980년에 출시된 C414 EB의 변형 모델로, AKG CK-12 캡슐을 기반으로 한 멀티패턴 FET 콘덴서 마이크입니다. C414 EB와 유사하지만 팬텀파워 요구사항과 감도, 임피던스 등에서 차이가 있습니다.
주요 특징 및 사양
활용 및 평가
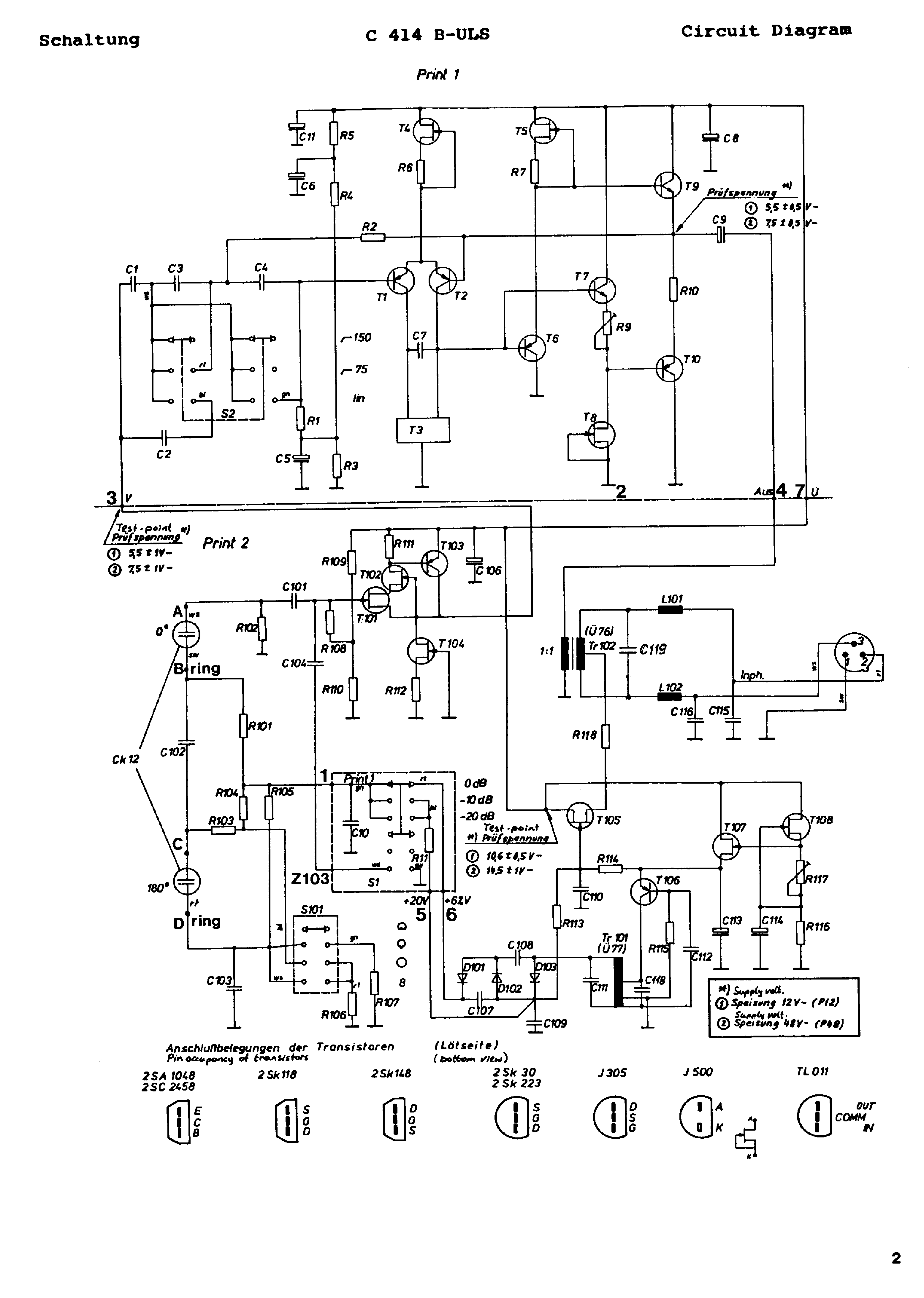
Schematic
C414B-ULS
C414-TL
TL : Transformerless, 트랜스포머를 제거한 버전
C414-TL-II
AKG C414 XLS
AKG C414 XLS는 “ULS/XLS” 계열의 최신 멀티패턴 대형 다이어프램 FET 콘덴서 마이크로, 매우 플랫하고 중립적인(Linear/Neutral) 사운드와 초저노이즈, 9가지 지향성, 직관적 컨트롤 등으로 스튜디오와 라이브에서 “업계 표준”으로 널리 사용됩니다.
주요 특징 및 사양
음향적 특징
- “ULS/XLS” 계열의 플랫하고 중립적인 주파수 응답 — 컬러링 없이 원 소스에 충실
활용 및 평가
로그인하면 댓글을 남길 수 있습니다.
[공지]회원 가입 방법
[공지]글 작성 및 수정 방법
instrument_wiki/마이크로폰/akg/c414.txt · 마지막으로 수정됨: 저자 72.14.199.225





























