instrument_wiki:마이크로폰:neumann:u47fet
[홈레코딩 필독서]"모두의 홈레코딩"구매링크
가성비 있는 녹음실 찾으시나요? 리버사이드 재즈 스튜디오에서 녹음하세요!
[공지]회원 가입 방법
[공지]글 작성 및 수정 방법
Neumann U47fet
Telefunken U47fet
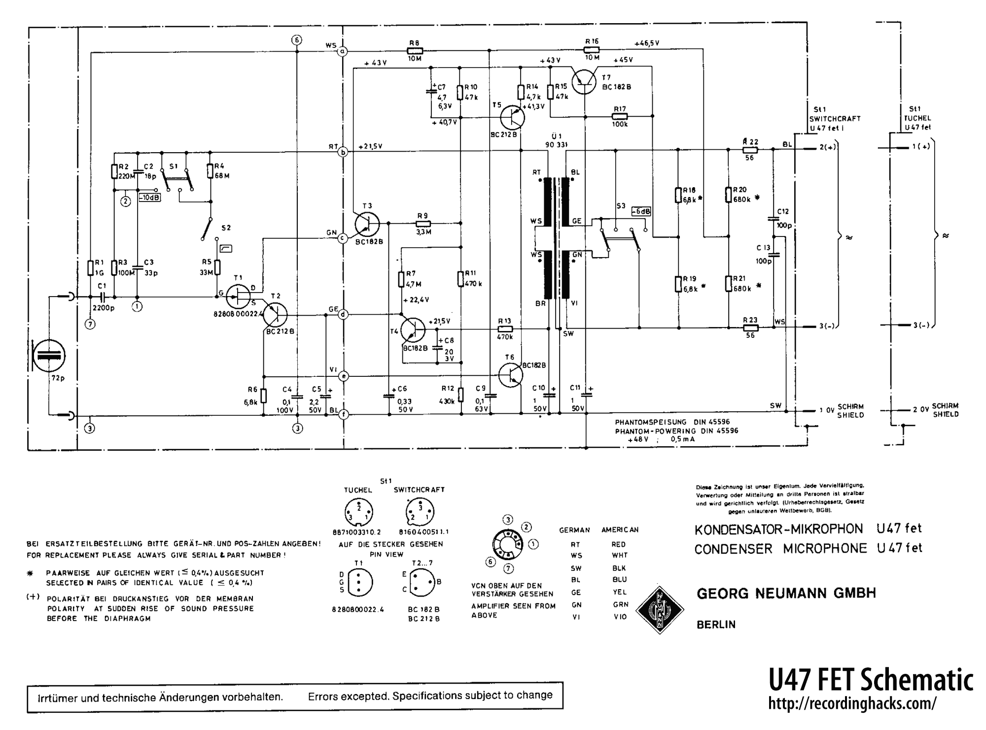
U47의 진공관 회로를 FET 소자를 이용한 솔리드 스테이트 방식으로 변경한 마이크이다. 진공관 회로를 FET로 변경하면서 트랜스포머도 그에 맞게 변경해야하지만, 그 때 당시는 그러한 사실을 몰랐기 때문에 트랜스포머는 진공관 출력에 맞춘 것이 들어갔고, 그 때문에 출력이 낮다.
- 캡슐 : Neumann의 K47/49, K47fet 등
- 감도 : 8mV/Pa
- Self-noise : 18dBA
Schematic
13)
i: International
로그인하면 댓글을 남길 수 있습니다.
[공지]회원 가입 방법
[공지]글 작성 및 수정 방법
instrument_wiki/마이크로폰/neumann/u47fet.txt · 마지막으로 수정됨: 저자 52.167.144.147





