instrument_wiki:마이크로폰:neumann:u87
[홈레코딩 필독서]"모두의 홈레코딩"구매링크
가성비 있는 녹음실 찾으시나요? 리버사이드 재즈 스튜디오에서 녹음하세요!
[공지]회원 가입 방법
[공지]글 작성 및 수정 방법
Neumann U87
U87은 전설적인 U67 튜브 콘덴서를 Neumann에서 FET를 이용한 솔리드 스테이트 회로로 개량한 것입니다.
진공관과 외부 전원 공급 장치를 솔리드 스테이트 회로와 팬텀 전원으로 전환한 것 외에도, U87은 U67과 비교해 한층 더 업그레이드된 K87 캡슐을 가지고 있습니다.15) 이는 U67의 K67 캡슐이 가장 많이 복제된 캡슐이라는 점에서 더욱 의미가 큽니다.
Neumann U87에 사용된 K87 캡슐은 마이크의 3가지 지향성 패턴에서 동일한 감도를 제공합니다. 또한 48V 로 캡슐을 극성화하여 각 지향성 패턴을 적절하게 달성할 수 있게 했습니다.16) 마이크 내부에는 배터리가 들어가서 팬텀 전원이 없는 환경에서도 사용이 가능했습니다.
Neumann U87 및 후속 모델인 U87ai는 세계적으로 유명한 스튜디오 마이크이며, 많은 사람들이 최고의 보컬 마이크로 평가합니다.
Specification
- 캡슐 : K87(Center terminated)
- 감도 등급 : 8mV/Pa ± 1mV
- Self-Noise : 18dBA
Neumann K87
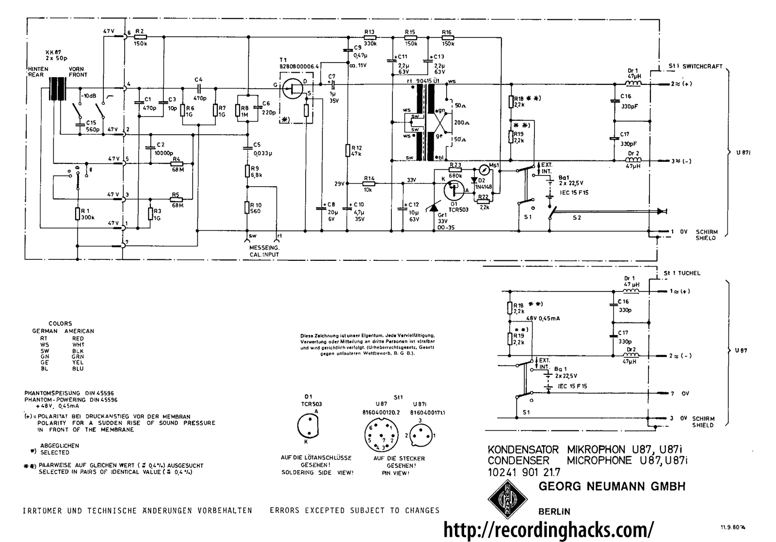
Schematic
로그인하면 댓글을 남길 수 있습니다.
[공지]회원 가입 방법
[공지]글 작성 및 수정 방법
instrument_wiki/마이크로폰/neumann/u87.txt · 마지막으로 수정됨: 저자 127.0.0.1






