instrument_wiki:믹싱_콘솔:amek_m2500_mic_pre
[홈레코딩 필독서]"모두의 홈레코딩"구매링크
가성비 있는 녹음실 찾으시나요? 리버사이드 재즈 스튜디오에서 녹음하세요!
[공지]회원 가입 방법
[공지]글 작성 및 수정 방법
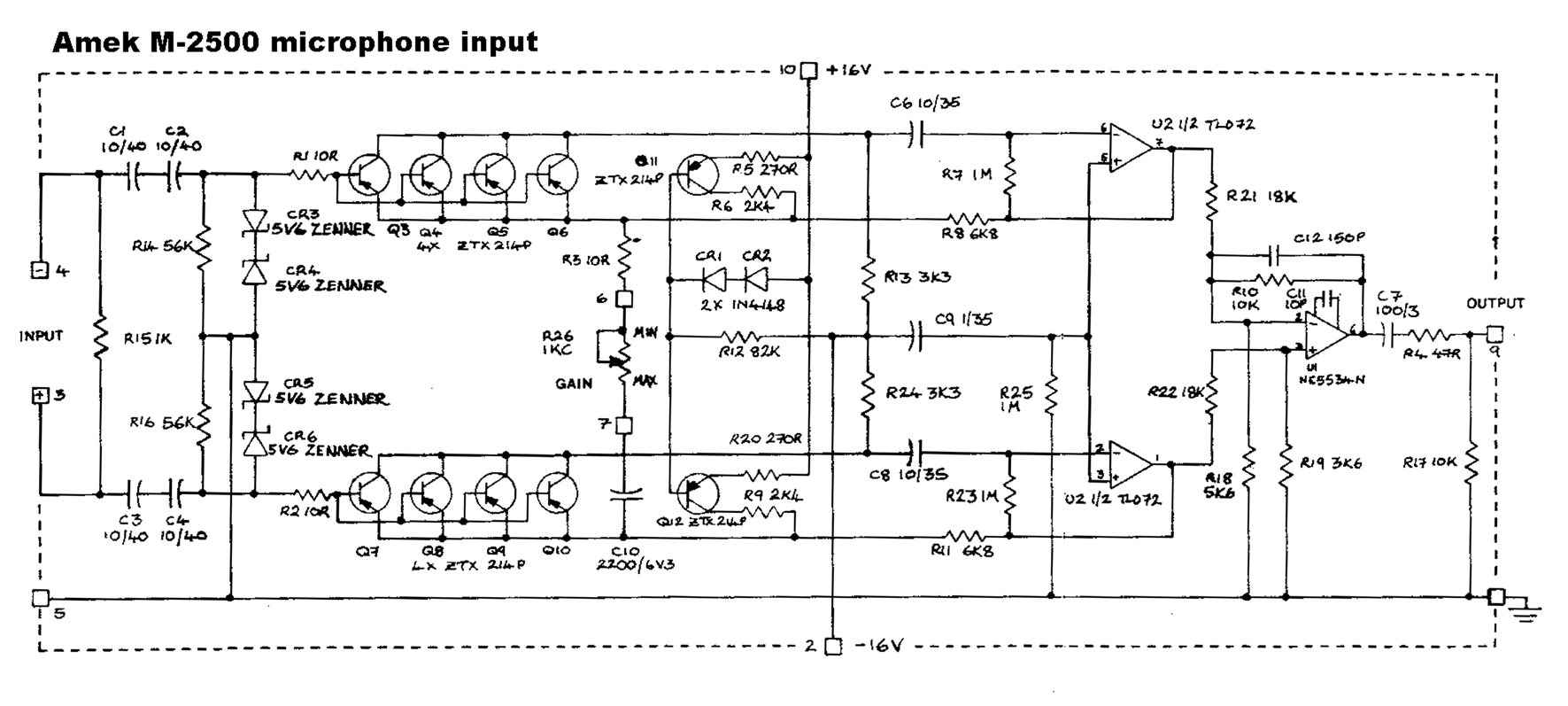
AMEK M2500 MIC Pre
로그인하면 댓글을 남길 수 있습니다.
[공지]회원 가입 방법
[공지]글 작성 및 수정 방법
instrument_wiki/믹싱_콘솔/amek_m2500_mic_pre.txt · 마지막으로 수정됨: 저자 정승환

