목차
SSL 4000G
Solid State Logic 4000G Series
인라인 방식의 대표적인 믹싱 콘솔. 인라인 방식이기 때문에 다루기 어려운 측면도 있다.
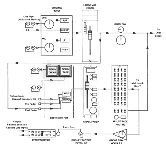
전체적으로 플레이백 재생을 위한 스몰 페이더, 녹음 및 인풋 모니터링에 사용하는 라지 페이더가 한 채널에 동시에 있는 인라인 구조로 되어 있으며, 실제 신호를 서브 그룹 채널로 서밍하는 SUB Group과 페이더만 그룹으로 조정하는 VCA 그룹 페이더가 동시에 있는 매우 현대적인 콘솔 구조로 되어 있다.
SL611G input module
Mono Channel은 마이크 프리앰프가 내장된 채널로, 녹음을 하거나 멀티 트랙 레코더의 개별 채널들을 모니터링할 때, 또는 SUB GP로 지정하여 서브 그룹 채널로 사용한다.
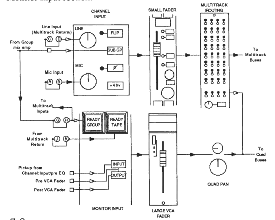
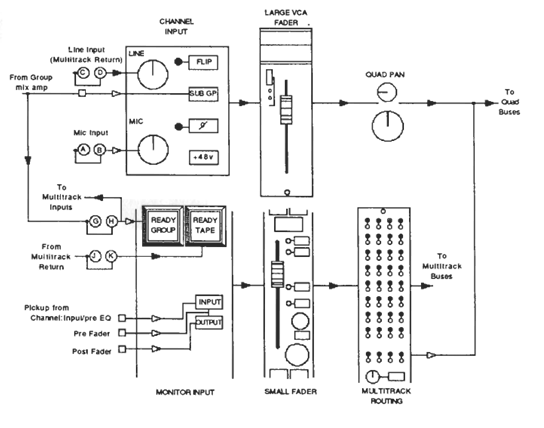
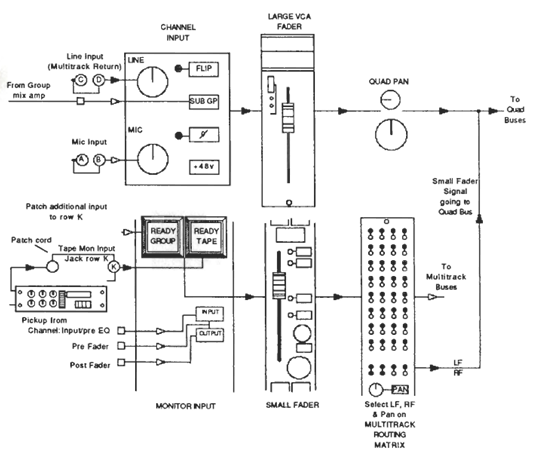
Channel input section
- ø : 위상 반전
Dynamic Section
- GATE : Expander/Gate 전환
Filters and Parametric Section
Insert
CUE and AUX send
SSL 4000의 AUX 센드는 1개의 스테레오 센드인 CUE와 4개의 모노 센드인 AUX로 구성되어 있다. 보통 CUE는 연주자에게 CUE 믹스를 줄 때 사용하고 AUX 센드는 리버브 등의 센드 이펙터에 입력 시킬 때 사용한다.
Group Out section
Routing Matrix
Monitor and Small fader
Large (VCA) fader
라지 페이더는 주로 인풋 모니터링 과 녹음에 사용한다. Large 페이더는 VCA를 통해 동작하기 때문에 자동으로 움직일 수 있도록 되어 있다. 주로 오토메이션에 활용한다.
각각의 페이더는 1번~8번까지의 숫자를 지정이 가능하고, 같은 숫자로 지정된 페이더들은 같은 숫자로 지정된 VCA 그룹 페이더를 통해 원격 조정 될 수 있다.
SL611S Stereo Channel Module
Input section
Routing Matrix
Dynamic Section
- GATE : Expander/Gate 전환
Sidechain from
Stereo Equalizer and filter Section
CUE and AUX 센드
Remote Facilities
모노 채널에는 이 위치에 스몰 페이더가 있지만 스테레오 채널에는 스몰 페이더 대신 Remote/Image가 위치 하고 있다. 해당 채널에 연결된 멀티 트랙 레코더나 여러가지 장비를 리모트 컨트롤 하고, 해당 채널에 대한 스테레오 이미지 등을 컨트롤 한다.
Sub Grouping
SL651G Master facilities
Talkback level control
Stereo Echo Returns
각 채널의 CUE 및 AUX send 에 대한 Return 을 조정 할 수 있다. 단 스테레오 채널로 이펙터를 리턴한 경우에는 해당 스테레오 채널이 리턴 채널로 작동하고, 이 섹션은 사용되지 않는다.
Control Room and Monitoring System
Monitor Cuts and trim
Quad Compressor
Status Button
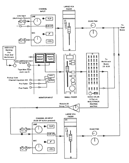
SSL 4000 콘솔은 Status 설정에 따라 Large fader와 Small fader의 역할이 상황에 맞게 변한다. 13) 핵심은, Group Routing Matrix 가 어느 페이더 출력을 통해 적용되는 지가 중요하다.
Record Status
Record & VCA to Monitor
Replay
MIX
VCA trim, Auto fade, AFL
Plasma Bar graph control
Meters, Communications
Local AUX 센드
Small fader를 Effect 센드로 사용하기
VCA group Fader
SSL 콘솔의 모든 VCA 채널 페이더와 VCA 그룹 페이더는 1~8번 까지의 숫자를 지정할 수 있다.
VCA 페이더에서 숫자를 지정하면, 해당 숫자로 지정된 모든 VCA 채널 페이더를 VCA 그룹 페이더로 한번에 조절 할 수 있다.
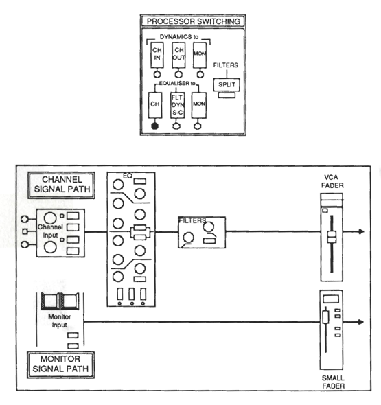
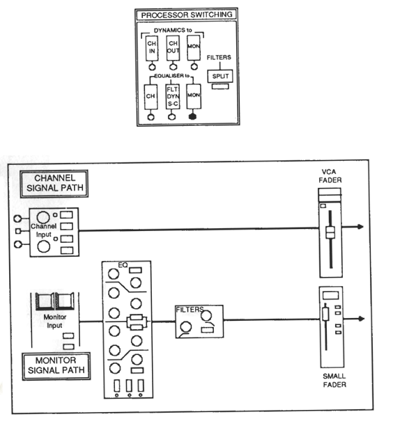
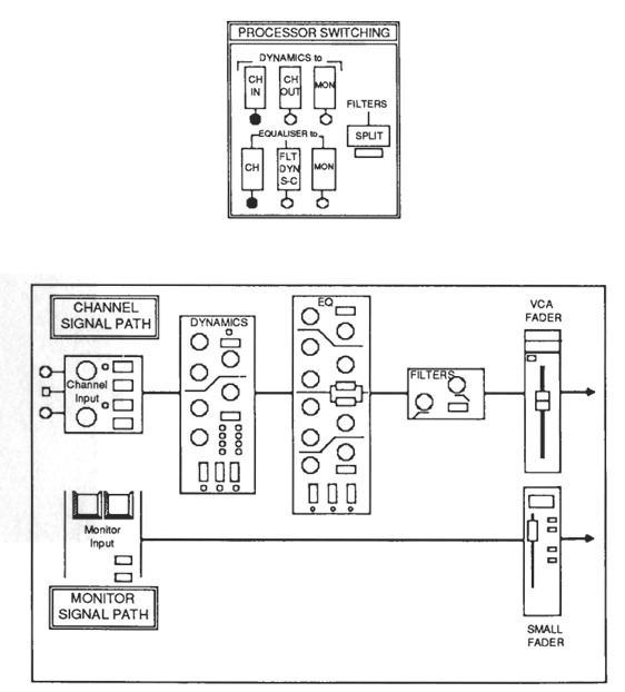
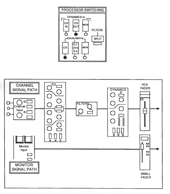
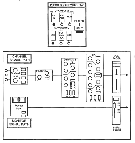
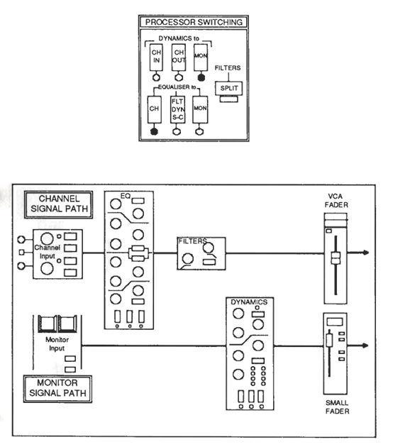
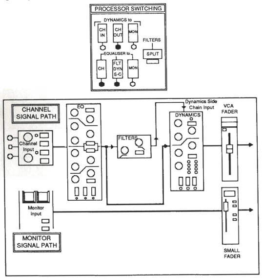
다이내믹, 이퀄라이저, 필터 Routing
이퀄라이저/필터 섹션
다이내믹 섹션
채널에 다이내믹을 적용합니다 . 다이내믹 → 이퀄라이저 → 필터
채널에 다이내믹을 뒤로 적용합니다. 이퀄라이저 → 필터 → 다이내믹
이퀄라이저에서 필터를 분리하여 프리앰프 바로 뒤로 위치시킵니다 . 프리앰프 → 필터 → 다이내믹 → 이퀄라이저
Meter Bridge Option
VU
PPM
Plasma Bar Graph
Total Recall
SSL 4000 콘솔은 각 채널의 셋팅 상태의 스냅샷을 자동으로 저장해준다. 스냅샷을 로딩하면 아래와 같이 모니터에 스냅샷 셋팅이 불러와지고, 그 다음은 어시스트 엔지니어가 스냅샷대로 콘솔을 다시 수동 셋팅15) 하면 된다.
리콜 Sheet를 자동화 하여 저장해주고 불러와주는 기능이지만, 자동으로 리콜을 해주는 것은 아니다.
[공지]회원 가입 방법
[공지]글 작성 및 수정 방법



























































