instrument_wiki:오디오인터페이스:steinberg:ixo22
[홈레코딩 필독서]"모두의 홈레코딩"구매링크
가성비 있는 녹음실 찾으시나요? 리버사이드 재즈 스튜디오에서 녹음하세요!
[공지]회원 가입 방법
[공지]글 작성 및 수정 방법
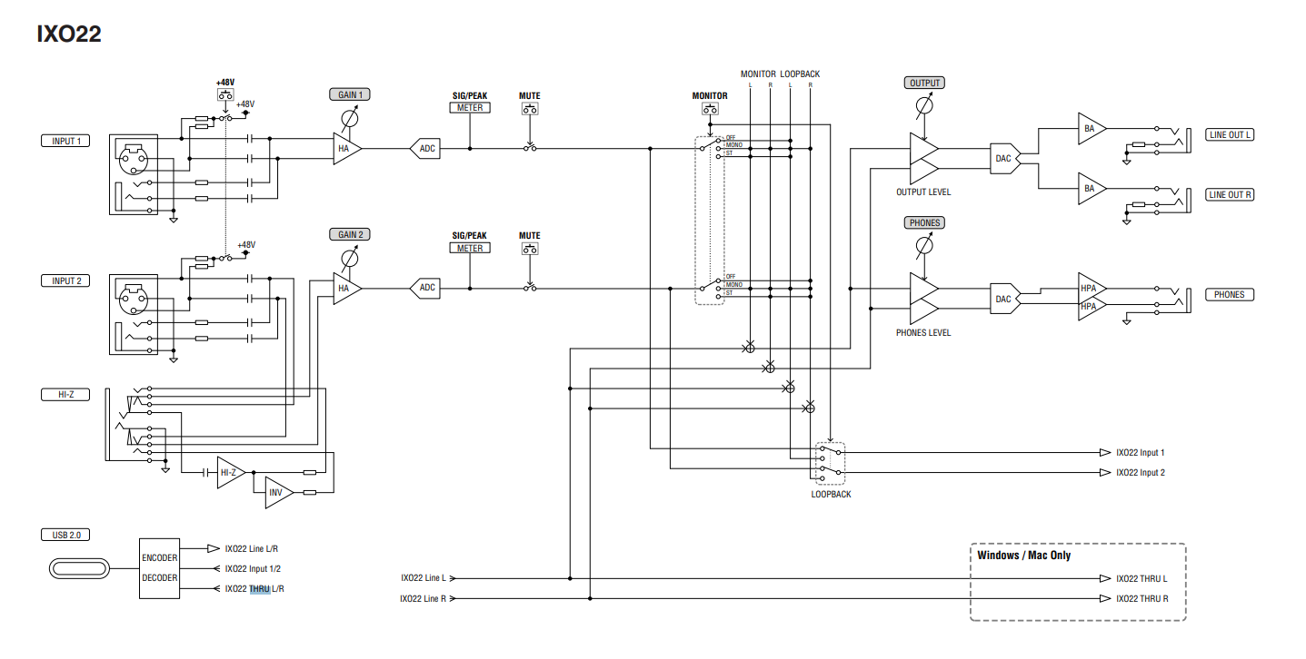
Steinberg IXO22
THRU
IXO 씨리즈 THRU 경로를 추가로 가지고 있다. 이러한 THRU 입출력을 이용하면 방송 송출 소프트웨어에서 입출력을 캡춰하는 것이 쉬워진다. Monitor 버스(PC 출력 및 인풋 모니터)의 소리와, LoopBack(인풋 모니터가 빠진 PC 출력) 버스의 소리를 포함하고 있다.
따라서, DAW 등에서 THRU를 입력으로 설정하면 Monitor 출력 소리나, LoopBack 출력 소리를 녹음 받을 수 있고, 어떤 소프트웨어에서 THRU 를 출력으로 선택하면, 스피커나 헤드폰으로 소리를 재생하지 않고 신호만 출력시킬 수 있다.
로그인하면 댓글을 남길 수 있습니다.
[공지]회원 가입 방법
[공지]글 작성 및 수정 방법
instrument_wiki/오디오인터페이스/steinberg/ixo22.txt · 마지막으로 수정됨: 저자 정승환





