음향:electric_circuit:solid_state:op-amp:ne5534
[홈레코딩 필독서]"모두의 홈레코딩"구매링크
가성비 있는 녹음실 찾으시나요? 리버사이드 재즈 스튜디오에서 녹음하세요!
[공지]회원 가입 방법
[공지]글 작성 및 수정 방법
NE5534
Texas Instrument사의 Op-Amp 칩, 개발에 Rupert Neve가 참여했고, Neve사의 80 시리즈 후반기 콘솔과 Focusrite Forte 콘솔, Focusrite ISA 프리앰프의 핵심 부품으로 쓰이게 된다.
Neve의 기존 디스크리트 6 트랜지스터 증폭 회로 구조와 상당히 유사하다.1)
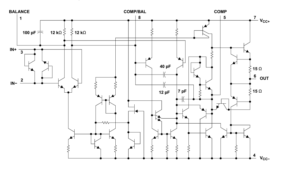
NE5534, NE5534A, SA5534 및 SA5534A 장치는 우수한 직류 및 교류 특성을 결합한 고성능 오퍼레이션 앰프입니다. 이들의 특징 중 일부는 매우 낮은 잡음, 높은 출력 구동 능력, 높은 유니티-게인 및 최대 출력-스윙 대역폭, 낮은 왜곡 및 높은 슬류 레이트가 포함됩니다.
이 오퍼레이션 앰프는 내부적으로 게인이 3 이상인 것에 대해 보상됩니다. COMP 및 COMP/BAL 사이에 외부 보상 커패시터를 사용하여 다양한 응용에 대한 주파수 응답을 최적화할 수 있습니다. 이 장치에는 입력 보호 다이오드, 출력 단락 보호 및 BALANCE 및 COMP/BAL 핀을 사용한 오프셋 전압 널링 기능이 특징입니다.
NE5534A 및 SA5534A 장치의 경우 등가 입력 잡음 전압에 대한 최대 한도가 지정됩니다.
- Equivalent Input Noise Voltage: 3.5 nV/√Hz Typ
- Unity-Gain Bandwidth 10 MHz Typ
- Common-Mode Rejection Ratio 100 dB Typ
- High DC Voltage Gain 100 V/mV Typ
- High Slew Rate 13 V/µs Typ
- Wide Supply-Voltage Range ±3 V to ±20 V
- Low Harmonic Distortion
- Offset Nulling Capability
- External Compensation Capability
https://www.ti.com/product/NE5534A
1)
개발에 Rupert neve가 참여해서
로그인하면 댓글을 남길 수 있습니다.
[공지]회원 가입 방법
[공지]글 작성 및 수정 방법
음향/electric_circuit/solid_state/op-amp/ne5534.txt · 마지막으로 수정됨: 저자 정승환




