instrument_wiki:마이크로폰:neumann:u87ai
[홈레코딩 필독서]"모두의 홈레코딩"구매링크
가성비 있는 녹음실 찾으시나요? 리버사이드 재즈 스튜디오에서 녹음하세요!
[공지]회원 가입 방법
[공지]글 작성 및 수정 방법
Neumann U87ai
U87ai 는 기존 U87(U87i)의 개선된 버전입니다.
기존 U87과의 몇가지 차이점은 다음과 같습니다.
Specification
- 캡슐 : K67(Center terminated)
- Self-Noise : 12dBA
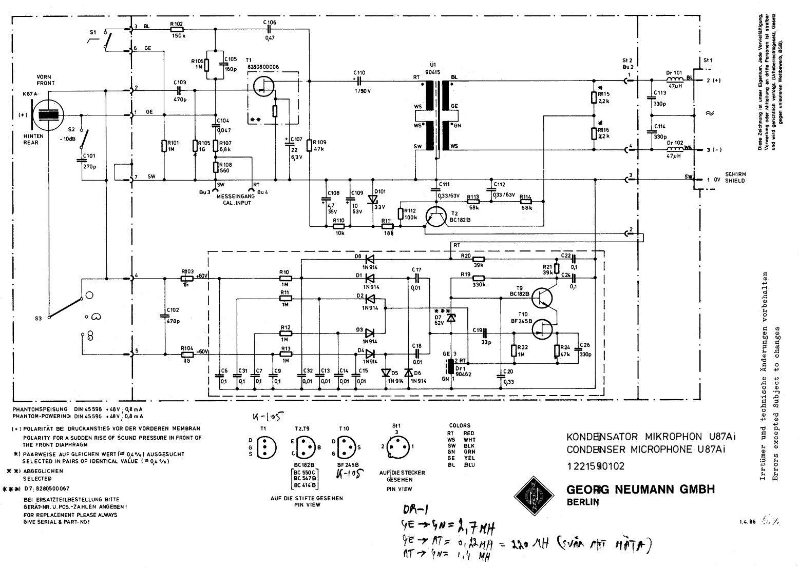
Schematic
로그인하면 댓글을 남길 수 있습니다.
[공지]회원 가입 방법
[공지]글 작성 및 수정 방법
instrument_wiki/마이크로폰/neumann/u87ai.txt · 마지막으로 수정됨: 저자 127.0.0.1







