instrument_wiki:cat_스네이크:radial_catapult
[홈레코딩 필독서]"모두의 홈레코딩"구매링크
가성비 있는 녹음실 찾으시나요? 리버사이드 재즈 스튜디오에서 녹음하세요!
[공지]회원 가입 방법
[공지]글 작성 및 수정 방법
Radial Catapult
Radial Catapult는 표준 CAT5/6/7 이더넷 케이블을 이용해 아날로그 오디오 신호(4채널 또는 12채널)를 장거리로 전송할 수 있는 패시브 오디오 스네이크 시스템입니다. 별도의 전원 없이 동작하며, 다양한 현장 및 설치 환경에서 XLR 케이블을 대체해 경제적이고 간편하게 오디오 신호를 분배할 수 있습니다.
주요 특징
- 다양한 모델: Catapult Mini, Catapult TX/RX, Catapult Rack 등
- 견고한 스틸 섀시, 휴대용 핸들 및 범퍼 설계
사양(대표 모델 기준)
활용 예시
장점
참고
- 모든 Catapult 모듈은 서로 호환되어 혼용이 가능합니다.
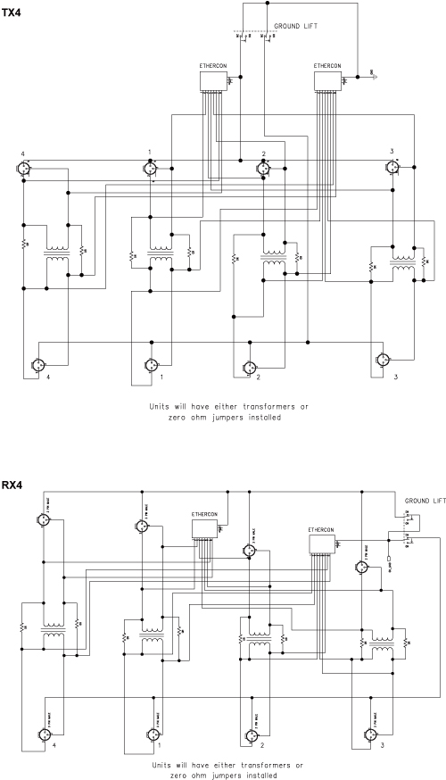
배선도
로그인하면 댓글을 남길 수 있습니다.
[공지]회원 가입 방법
[공지]글 작성 및 수정 방법
instrument_wiki/cat_스네이크/radial_catapult.txt · 마지막으로 수정됨: 저자 정승환

